Salva foto in alta risoluzione
Stampa la scheda Invia la scheda Apri la pagina del catalogo Vai ai prodotti di pag. Prodotto precedente Prodotto successivo
Prod. SCU
DIN 6350
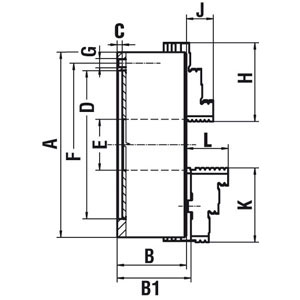
Guida doppia, corpo in ghisa sferoidale speciale. Tipo di alta precisione a 3 griffe.Con 2 serie di griffe: 1 per interni, 1 per esterni e chiave.Parti di scorrimento temprate e rettificate. Ottimo assorbimento delle vibrazioni, corona forgiata, bilanciata e temprata. Costruito in base alle norme DIN 6350.
Serie griffe per interni, esterni e non temprate fornibili a richiesta.{PB}