Versione italiana o inglese della scheda 

 
4405GC - ACCESSORI SPECIALI PER COMPARATORI - Prod. SCU - Orig. Käfer

Salva foto in alta risoluzione

   

 Stampa la scheda
 Invia la scheda

 Apri la pagina del catalogo
 Vai ai prodotti di pag.

Prodotto precedente Prodotto precedente
Prodotto successivo Prodotto successivo

4405GC  

Prod. SCU - Orig. Käfer

 

ACCESSORI SPECIALI PER COMPARATORI

accessories for dial indicators

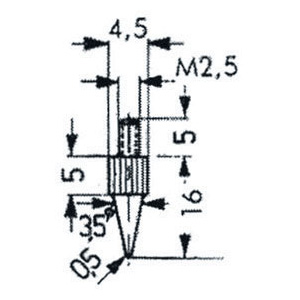
Tasti a punta arrotondata.

Adatti per tutti i comparatori Orig. Käfer.{PB}

 Aggiungi al carrello  

NoteCod. Art.Cad.Cod. Prod.GiacenzaPeso ArtQTAMIN
4405GC€ 0 50,0020
 

News