Versione italiana o inglese della scheda 

 
2812A - PRESSORI A MOLLA FILETTATI - Prod. SCU2812A - PRESSORI A MOLLA FILETTATI - Prod. SCU

Salva foto in alta risoluzione

   

 Stampa la scheda
 Invia la scheda

 Apri la pagina del catalogo
 Vai ai prodotti di pag.

Prodotto precedente Prodotto precedente
Prodotto successivo Prodotto successivo

2812A  

Prod. SCU

 

PRESSORI A MOLLA FILETTATI

spring plungers with thread

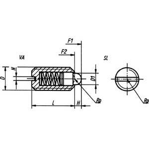
Tipo con puntale, a testa tonda e intaglio a giravite. In acciaio temprato, classe di resistenza 5,8, bruniti.

 Aggiungi al carrello  

NoteCod. Art.Cad.Cod. Prod.Filett. Ø D
M.
Forza min F1
N
Forza max F2
N
Ø puntale D1
mm
Lungh. pressore L
mm
Sporgenza puntale H
mm
Largh. intaglio N
mm
Peso c.ca
grammi
GiacenzaPeso ArtQTAMIN
2812A 4€ 0 46201,891,50,60,392440,0010
2812A 5€ 0 56202,41220,811530,0010
2812A 6€ 0 67202,714211,72530,0020
2812A 8€ 0 8153041621,242270,0040
2812A 10€ 0 1020354,5192,51,67470,0070
2812A 12€ 0 1230556223,5213320,0130
2812A 16€ 0 16451008,5244,52,524650,0240
2812A 20€ 0 206012010306,52,546,360,0460
 

News